根据GB 50174-2017《数据中心设计规范》规定,将数据中心机房划分为A、B、C三级,规范中A级数据中心设计为一级负荷(应由双重电源供电), B级数据中心设计为二级荷(宜由双重电源供电),不属于以上两种的为C级数据中心,设计为三级负荷(两回线路供电)。
《供配电系统设计规范》GB50052-2009规定,一级负荷由两个电源供电,当一个电源发生故障时,另一个电源应不至于受到损坏,同时两路电源应互为备用,每路电源均能承担本工程全部负荷。即当正常工作电源事故停电时,另一路备用电源能够自动投入。综上所述,建议数据中心电源引入应在机房就近位置,或低压配电室设置ATS装置。

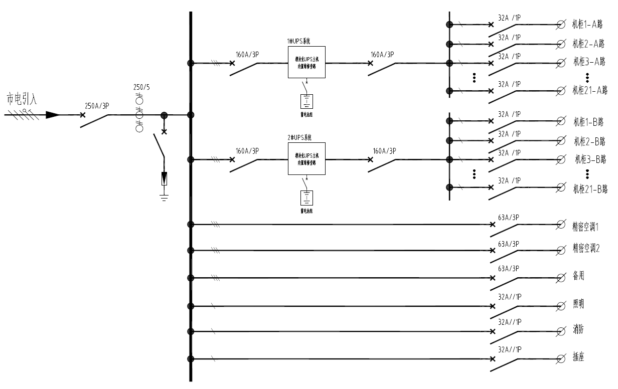
本“商宇”微模块数据中心配置有智能配电柜,可根据项目需求定制,可选配ATS、可定制精密列头柜(配置触摸显示屏及采集单元)、可按需定制市电配电,同时亦可根据A、B、C三个等级的数据中心,可定制2N、N+1、单台UPS的配电方案,按照不同机房等级、不同用户需求,“商宇”智能配电柜可大致分为以下三种常规定制方案:

说明:上述方案2、方案3中,若采用模块化UPS方案时,亦满足常规“C机数据中心”不间断电源供电标准;上述三种方案中,各供、配电系统负载分类如下:
- 市电供电系统:为机房空调、照明、消防设备、市电插座等供电;
- UPS供电系统:为IT设备、网络设备、门禁系统、监控设备等供电。
针对本项目,根据我方对本项目实际需求了解及分析,本项目参照上述“方案2”进行定制,在微模块数据中心入口左(或右)侧,设置1台600mm(深)*1200mm(宽)*2000mm(高)的智能配电柜,其智能配电柜的详细配置及明细,敬请参见我方提供的报价文件。智能配电柜主要参数:
- 电压:AC380V/AC220V;
- 频率:50/60HZ;
- 额定电流:125A~1000A(定制);
- 接地型式:TN-S系统;
- 防护等级:IP20;
- 检测功能(选配):主路及支路开关的状态、电压、电流、功率因数、谐波、用电量等。
根据数据中心IT设备的用途及运行特点,对供电电源的质量要求非常严格,智能配电柜可实现智能配电,经配电开关、配电电缆,分配到每个IT机柜的机架PDU上(每个机柜均标配2条,保障IT设备的双路电源输入);智能配电柜内配备浪涌保护器,并通过电量监控模块表将采集的总路运行数据(包括电压、电流、功率、功率因数、谐波等)纳入到微模块数据中心的“动力环境监控系统”中,实现7*24不间断监控。
本”微模块数据中心、双排模块化机房效果图及整体解决方案“是基于真实案例,即一个新建档案馆的数据机房,结合众平网站分享的需要,做了一定的删减发表,文章结构见本页末,原文档**数据中心方案书共90页,由单排和双排方案组成,图片图表详实。文章列表:
- 双排微模块数据中心解决方案:项目概况(附件下载)
- 双排微模块数据中心解决方案:建设内容及目标
- 双排模块化数据中心解决方案:设计效果图和平面图
- 模块化数据中心解决方案:机柜系统详细介绍
- 模块化数据中心解决方案:冷通道密闭系统
- 模块化数据中心解决方案:配电系统设计
- 档案馆模块化机房解决方案:UPS不间断供电系统
- 模块化数据中心解决方案:制冷系统设计
- 模块化数据中心解决方案:动力环境监控系统
- 模块化机房建设实施建议:装修、底座及消防
微模块数据中心的每个机柜均设置两路电源输入,两路电源分别经智能配电柜中的32A/1P输出空开,通过3*6mm2配电电缆及工业连接器,将电源分配到机柜内侧的两条PDU上,;针对只有1套UPS系统的项目,PDU电源引入可以选择“1路UPS+1路市电”,也可以选择“1路UPS+1路UPS”(由同一UPS系统同源引出)。

